Profil Technik Projekte Partner Kontakt   + + +  Biomethan - AG  + + +   A g r a r  -  G r o ß a n l a g e n b a u  + + +    Impressum
                 

Biogas

Biodiesel / Alkohol

Biomüllvergärung

Müllaufbereitung

Farmaufbau

Organische Schlämme

Energie aus Organik

 

 

 

BIOMÜLLVERGÄRUNG

 

Das Verfahren

 

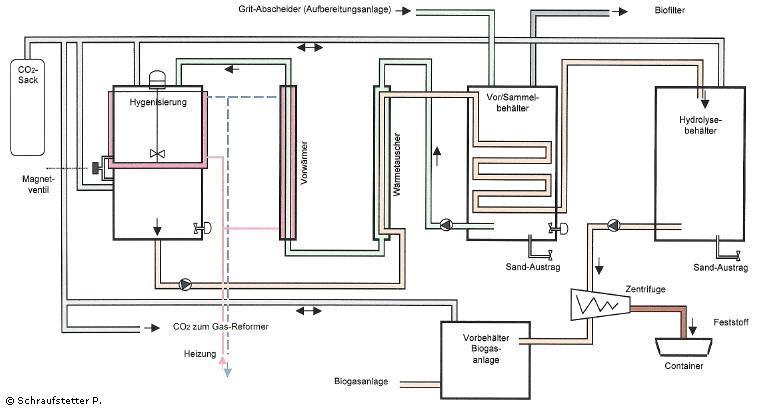
1.     Verfahrensbeschreibung - schematisch dargestellt

 

 

 

2.     Anlagenaufbau - schematisch dargestellt

 

Bsp: Schlachthof

 

 

âzurück